DC2



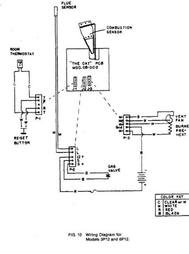
Cat Heater Model 3P12A and 6P12A DCA Wire Diagram:





3P12A and 6P12A



Cat Heater Model 3P12A and 6P12A DCA Wire Diagram:





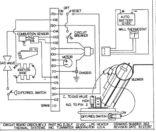
Model CAT1500 Heater

SERVICE BULLETIN: PD TAP CLEANING Dirt and moisture act to plug up the pressure taps in the motor housing. This will eventually result in the heater pressure differential switch shutting off the heaters gas solenoid valve-- as if the motor failed or the vent was blocked. This leads to a fault shutdown requiring the condition be cleared and pressing of the heaters manual reset button.


(Some 6P110, 7N110, 3P12, 6P12, 3P12A & 6P12A Models similar)